Mesin Pengacuan Suntikan Ketepatan Tinggi
K1500-SA
PREV PRODUCT:K1850-SA
NEXT PRODUCT:K1300-SA
| PENERANGAN | UNIT | K1500-SA | ||||
| PENARAFAN SAIZ ANTARABANGSA | 18200 | |||||
| A | B | C | D | |||
| UNIT SUNTIKAN | Diameter skru | mm | 130 | 140 | 150 | 160 |
| Skru nisbah L:D | 23.7 | 22 | 20.5 | 19.3 | ||
| Kelantangan tangkapan | cm3 | 9291 | 10776 | 12370 | 14074 | |
| Berat pukulan (PS) | g | 8455 | 9806 | 11257 | 12807 | |
| oz | 298.2 | 345.9 | 397.1 | 451.7 | ||
| Tekanan suntikan | Bar | 1959 | 1689 | 1471 | 1293 | |
| Kadar suntikan | cm3/s | 1341 | 1555 | 1785 | 2031 | |
| Kapasiti pengplastikan | g/s | 156 | 195 | 229 | 246 | |
| Kelajuan skru maks | r/min | 113 | ||||
| UNIT PENGAPIT | Daya pengapit | kN | 15000 | |||
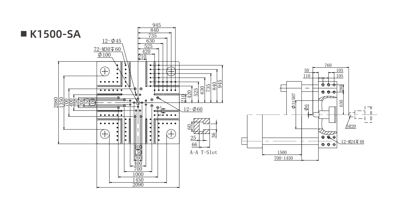
| Ruang antara palang seri | mm | 1450x1350 | ||||
| Saiz platen | mm | 2090x2080 | ||||
| Pukulan pembukaan | mm | 1500 | ||||
| Min.mdd ketinggian | mm | 700 | ||||
| Ketinggian acuan maksimum | mm | 1450 | ||||
| Jarak antara platens (siang hari) | mm | 2950 | ||||
| Strok ejektor | mm | 350 | ||||
| Daya ejector | kN | 320 | ||||
| Bilangan ejector | 25 | |||||
| UNIT KUASA | Tekanan sistem | Bar | 175 | |||
| Motor pam | kW | 42 54 54 | ||||
| Kapasiti pemanasan | kW | 91 | ||||
| UMUM | Kapasiti tangki minyak | L | 1300 | |||
| Dimensi mesin (LxWxH) | m*m*m | 13.8x3.1x4.5 | ||||
| Berat mesin | t | 87 | ||||
| Kapasiti hopper | kg | 400 | ||||
| Tidak | Konfigurasi komponen | Jenama | Tempat asal | Skop konfigurasi |
| 1 | pengawal | Taiwan Techmation(AK628) Pengilangan aluminium 8 inci | Taiwan | K110-230 |
| 2 | pengawal | Taiwan Techmation(TECH1)Pengilangan aluminium 8 inci | Taiwan | K270-460 |
| 3 | pengawal | Taiwan Techmation(TECH2)Pengilangan aluminium 12 inci | Taiwan | K530-800 |
| 4 | Pam minyak servo | USA BERTEKNIK TINGGI | USA | Liputan penuh |
| 5 | motor servo | FASA | Itali | Liputan penuh |
| 6 | pemacu servo | FASA | Itali | Liputan penuh |
| 7 | Kit servo | Jerman Rexroth | Jerman | Pilihan |
| 8 | Injap terbalik | Jepun YUKEN | Taiwan | Liputan penuh |
| 9 | Injap terbalik | VICKERS USA | USA | Pilihan |
| 10 | Motor pra plastik | DANDUN | China | Liputan penuh |
| 11 | Motor pelaras acuan | DANDUN | China | Liputan penuh |
| 12 | Elemen pengedap | U.KHALLITE | britain | Liputan penuh |
| 13 | sistem pelinciran | HERG | China | Liputan penuh |
| 14 | Pemutus litar | SCHNEIDER ELECTRIC | Perancis | Liputan penuh |
| 15 | suis udara | SCHNEIDER ELECTRIC | Perancis | Liputan penuh |
| 16 | Pembaris elektronik | Bonny | USA | Liputan penuh |
| 17 | Pembaris elektronik | NOVOtek | Jerman | Pilihan |
| 18 | Geganti keadaan pepejal | FOTEK | Taiwan | Liputan penuh |
| 19 | Suis perjalanan | SCHNEIDER ELECTRIC | Perancis | Liputan penuh |
| 20 | Suis kedekatan | FOTEK | Taiwan | Liputan penuh |
| 21 | Tong skru | TONGDA | China | Julat penuh |
Kilang stdanard tinggi
Ningbo KSM Machinery Manufacturing Co.,Ltd. adalah bekerjasama dengan teknologi Itali khusus plastik gred tinggi dalam pengeluaran mesin pengacuan plastik gred tinggi. Syarikat kami terletak di Ningbo Beilun Xing Ao Industrial Park. Kami mempunyai beberapa kakitangan R&D dan bekerjasama dengan sekumpulan perusahaan berteknologi tinggi. Sebagai seorang profesional China K1500-SA-Mesin Pengacuan Suntikan Ketepatan Tinggi pembekal dan OEM/ODM K1500-SA-Mesin Pengacuan Suntikan Ketepatan Tinggi syarikat, Ia terutamanya menghasilkan mesin pengacuan suntikan berketepatan tinggi dengan julat daya pengapit dari 110T hingga 1850T. Produk mempunyai struktur ketegaran yang tinggi dan dilengkapi elemen hidraulik & elektrik yang diimport, skru terpakai dengan kepala pencampuran untuk mempunyai prestasi pengplastan yang sangat baik dan sesuai untuk pelbagai pengacuan suntikan plastik kejuruteraan dan pesanan khas uers tersedia. Sejak perbadanannya ditubuhkan, sentiasa memberi perhatian kepada reputasi perusahaan, menjalankan saintifik, pengurusan dengan reka bentuk yang rasional, terletak pada perkhidmatan pra-jualan, jualan dan selepas jualan yang berkualiti untuk memenangi kepercayaan dan kelulusan pengguna yang banyak. Kami mematuhi moto "jujur, teruskan peningkatan, letakkan tekanan pada kualiti, jangan pernah berehat dalam usaha". Ikhlas mengalu-alukan sahabat dari semua wask untuk tunjuk ajar. Syarikat itu mempunyai pusat penyelidikan dan pembangunan dengan kekuatan pembangunan yang kukuh. Pada masa yang sama, ia bekerjasama dengan universiti dan kolej domestik untuk membangunkan dan menyelidik peralatan pengeluaran dan suntikan plastik dan mesin pengacuan suntikan. Syarikat itu mempunyai peralatan ujian hos termaju dan peralatan eksperimen. Dalam beberapa tahun kebelakangan ini, pusat R&D telah mencapai banyak pencapaian dalam mesin pengacuan suntikan dan peralatan plastik, proses pemvulkanan getah dan pembangunan formulasi. Dengan ikhlas menjemput pelanggan di dalam dan luar negara untuk melawat kilang kami, dan berharap untuk syarikat jangka panjang anda untuk mencipta hari esok yang indah untuk anda!
Kenapa pilih kami
Kami mempunyai makmal ujian sendiri dan peralatan pemeriksaan yang canggih dan lengkap, yang boleh memastikan kualiti produk yang dihasilkan oleh peralatan kami.
Kapasiti pengeluaran tahunan kami adalah lebih daripada 500 set mesin pengacuan suntikan.
Kami menumpukan pada membangunkan produk berkualiti tinggi untuk pasaran akhir teratas. Produk kami adalah selaras dengan piawaian antarabangsa, dan terutamanya dieksport ke Eropah, Amerika, Jepun dan destinasi lain di seluruh dunia.
Kami hanya 15 kilometer dari Pelabuhan Ningbo, adalah sangat mudah dan cekap untuk menghantar barangan ke mana-mana negara lain.
Menjamin Kualiti Tinggi Dengan Kepakaran Kami
Kualiti tulen yang boleh dipercayai secara semula jadi menyerlah dan tidak takut dibandingkan.
Menyediakan anda dengan berita perusahaan dan industri terkini
1. Konsep asas acuan pelbagai rongga Acuan berbilang rongga merujuk kepada penetapan berbilang...
1. Sistem hibrid minyak-elektrik berkecekapan tinggi The Mesin Suntikan Berkelajuan Tinggi...
Aplikasi sistem penyejukan minyak dalam mesin pengacuan suntikan plastik Sebagai kaedah ...
Mesin pengacuan suntikan plastik memainkan peranan penting dalam industri moden. Mereka bol...
Mesin pengacuan suntikan plastik memainkan peranan penting dalam industri moden. Mereka bol...
Nisbah aliran semula adalah parameter penting dalam proses pengacuan suntikan plastik, terutamanya ...